My Cart $-.--
Shop by Category
Quick Order
0
Home Joint Treatment Beads & Trim Plastic 3/4 in x 1/2 in x 10 ft Trim-Tex Lap Siding Step Bead

3/4 in x 1/2 in x 10 ft Trim-Tex Lap Siding Step Bead

PART PCPSSB75-50
MANUFACTURER PART # SSB75-50
Calculating price...
QUANTITY

About this item

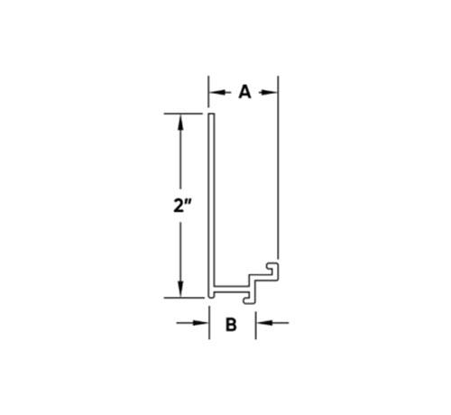
Simulate the crisp look of lap siding — using only stucco. The Lap Siding Step Bead mimics the clean lines of cement board siding using stucco alone, saving time and labor costs. A built-in double ground functions as a screed between adjoining bands, while grooved flanges enhance the bond to the stucco for a clean, durable finish.

  • A = 0.75"
  • B = 0.5"
Features
  • Sharp lines every time
  • Finish faster
  • Unbeatable durability

There are currently no resources for this product.

For California Residents:

WARNING: Cancer and Reproductive Harm - www.P65Warnings.ca.gov